Til sidens hovedindhold
  • Välkommen till Yourex - Din Grossist på bilelektriska reservdelar.

Vare nr.: 12-802-2424

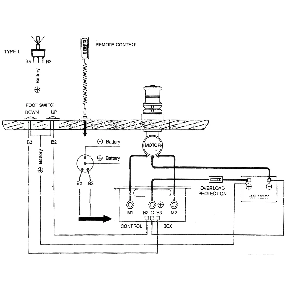
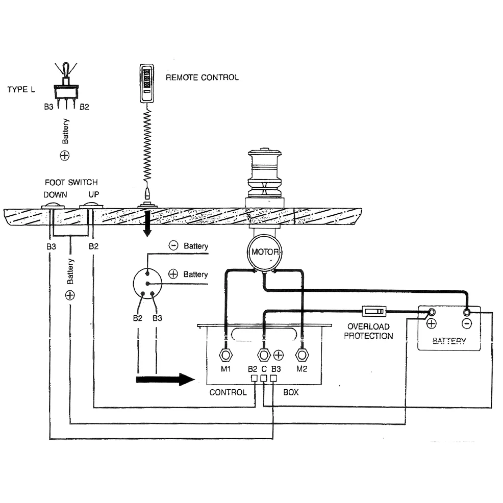
Dobbeltrelæ 12V, DC-motor K.boks

Tekniske oplysninger:

12V-100A, DC Motor kontrollboks

Beskrivelse

Dobbeltrelæ 12V, DC-motor K.bøsning 12V-100A, DC Motor kontrolbøsning 120x60x100 Passer til DC-motorer, Ankertræk Marine mm.