Til sidens hovedindhold
  • Välkommen till Yourex - Din Grossist på bilelektriska reservdelar.

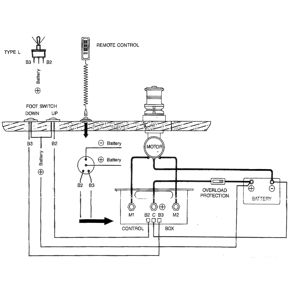
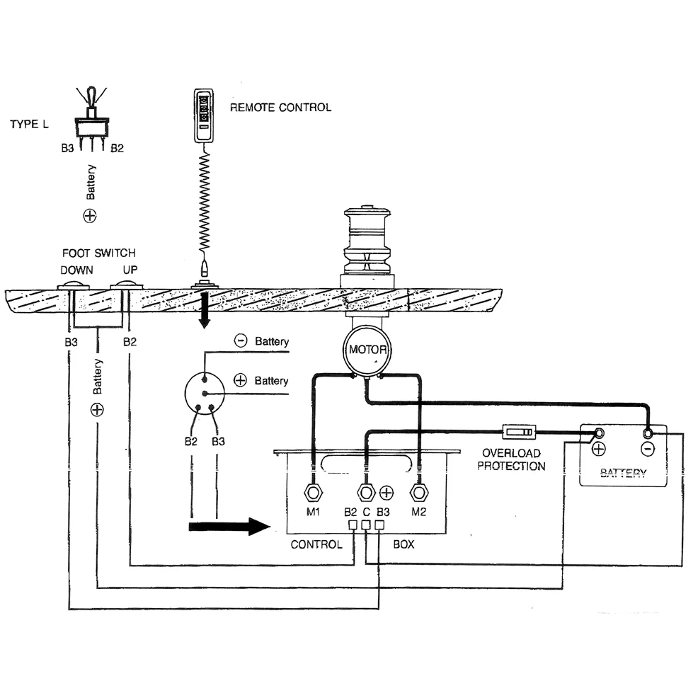
Vare nr.: 12-802-2426

Dobbeltstartrelæ 24V, DC-motor K.box

Tekniske oplysninger:

24V-50A, DC Motor kontrolboks

Beskrivelse

Dobbeltrelæ 24V, DC motor K.bøsning 24V-50A, DC Motor kontrolbøsning 120x60x100 Passer til DC motorer, Ankerwinsch Marine m.m.