Til sidens hovedindhold
  • Välkommen till Yourex - Din Grossist på bilelektriska reservdelar.

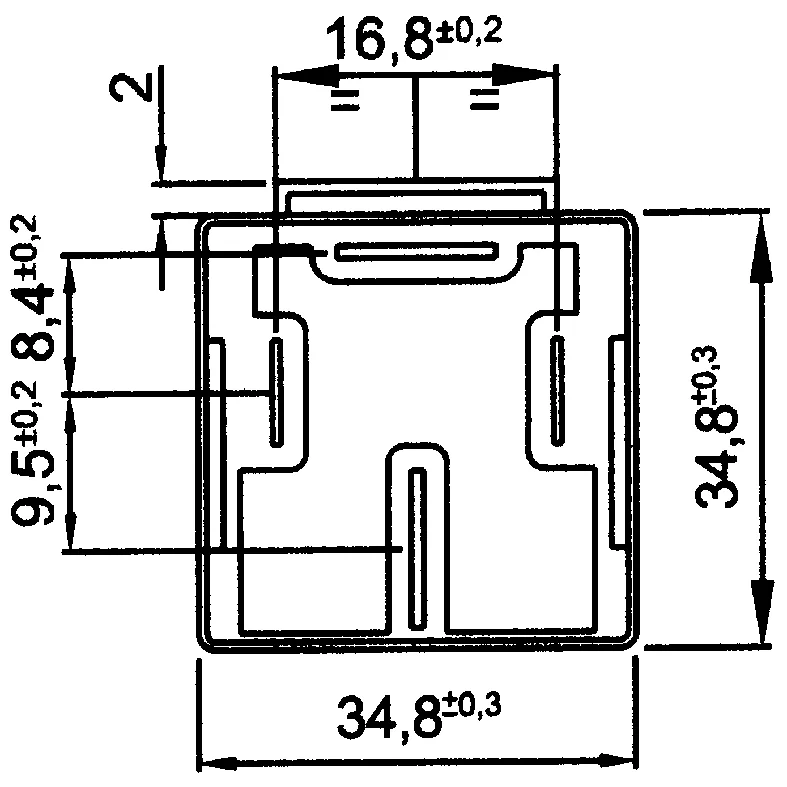
Vare nr.: 85-2241

Minirelæ HD 24V-70A, 4 stift

Tekniske oplysninger:

24V-70A, 4 benet relæ HD

Beskrivelse

Minirelä HD 24V-70A 24V-70A, 4-pind relæ HD Relæhylster = 85-2351