Välkommen till Yourex - Din Grossist på bilelektriska reservdelar.
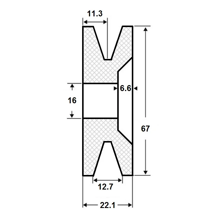
1 spor, 12.5 mm rem
Vi bruger cookies for at give dig den bedste oplevelse på vores hjemmeside. Du accepterer brugen af cookies ved at trykke på OK og fortsætte med at navigere på hjemmesiden.