Til sidens hovedindhold
  • Välkommen till Yourex - Din Grossist på bilelektriska reservdelar.

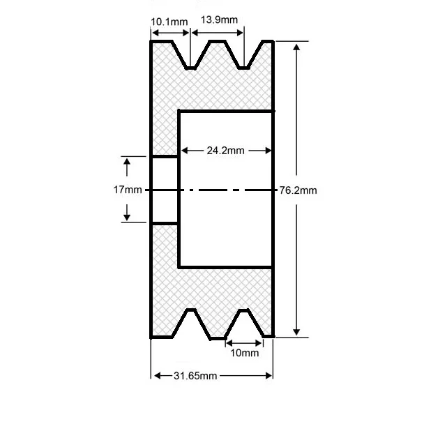
Vare nr.: RC-43562

Remskive 2V, 17x76 9,5 mm rem

Tekniske oplysninger:

2 spor

Beskrivelse

Remskive 17x78, 9.5 rem CHR DP 2 spor 17 x 76 x 32 mm Passer til Chrysler gen. 40/90 & 50/120 ser. (90-120A/12V) Dobbelt