Til sidens hovedindhold
  • Välkommen till Yourex - Din Grossist på bilelektriska reservdelar.

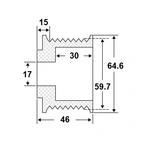
Vare nr.: 45-011-0098

Remskive 8 spor, Case

Tekniske oplysninger:

8 spor

Beskrivelse

Remskive 8 spor, Case 8 spor